ANEXO 4
GRÁFICO Nº 1: De los Locales - Tabla de grupos de Locales según Destino.-
GRÁFICO Nº 2: De los Locales - Forma de Medir la Altura Libre de los Locales
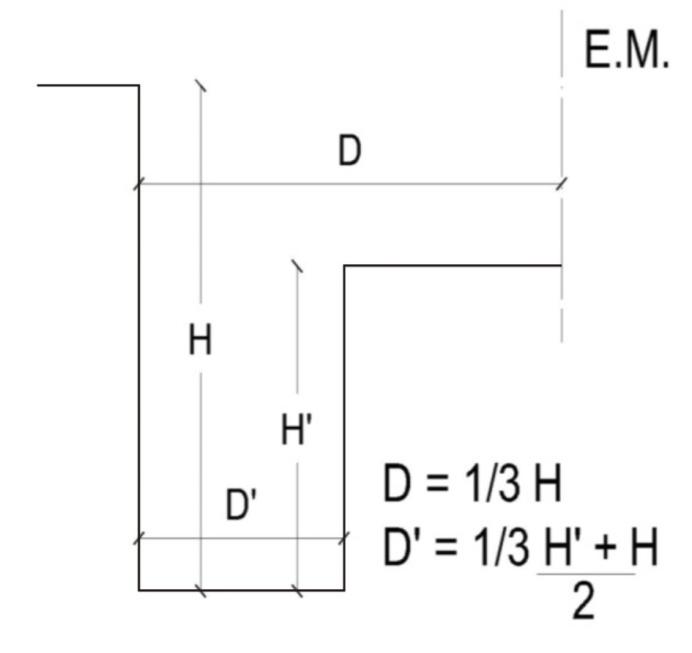
GRÁFICO Nº 3: De los Locales - Altura Variable : espacios no computables para la determinación del volumen y dimensiones mínimas.-
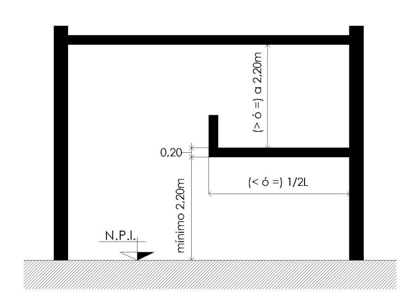
GRÁFICO Nº 4: De los Locales - Altura mínima de locales con entrepisos
GRÁFICO Nº 5: De las condiciones de iluminación y ventilación - Tipos de Iluminación: Iluminación Lateral.-
GRÁFICO Nº 6: De las condiciones de iluminación y ventilación - Tipos de Iluminación: Iluminación Cenital.-
GRÁFICO Nº 7: DIMENSIONAMIENTO DE LOS VANOS DE ILUMINACIÓN: ILUMINACIÓN DIRECTA DEL EXTERIOR:
GRÁFICO Nº 8: DIMENSIONAMIENTO DE LOS VANOS DE ILUMINACIÓN: ILUMINACIÓN A TRAVÉS DE PARTE CUBIERTA:
GRÁFICO Nº 9: DIMENSIONAMIENTO DE LOS VANOS DE ILUMINACIÓN: ILUMINACIÓN CENITAL
GRÁFICO Nº 10: VENTILACIÓN POR CONDUCTO INDIVIDUAL POR LOCAL
GRÁFICO Nº 11: VENTILACIÓN POR CONDUCTO COMÚN A VARIOS LOCALES
GRÁFICO Nº 12: DE LOS PATIOS DE ILUMINACIÓN Y VENTILACIÓN - PATIOS DE PRIMERA CATEGORÍA - DIMENSIONES MÍNIMAS
GRÁFICO Nº 13: DE LOS PATIOS DE ILUMINACIÓN Y VENTILACIÓN - PATIOS DE PRIMERA CATEGORÍA - DIMENSIONES MÍNIMAS CON PARAMENTO DE DIFERENTES ALTURAS
GRÁFICO Nº 14: DE LOS PATIOS DE ILUMINACIÓN Y VENTILACIÓN - PATIOS DE PRIMERA CATEGORÍA - Medición del valor “D” en el eje de c/abertura
GRÁFICO Nº 15: DE LOS PATIOS DE ILUMINACIÓN Y VENTILACIÓN - DISMINUCIÓN DEL VALOR “D” EN PATIOS DE PRIMERA CATEGORÍA - Patio abierto en uno de sus lados a la vía pública o a otro patio
GRÁFICO Nº 16: DE LOS PATIOS DE ILUMINACIÓN Y VENTILACIÓN - DISMINUCIÓN DEL VALOR “D” EN PATIOS DE PRIMERA CATEGORÍA - Paramentos enfrentados sin vanos de iluminación y ventilación de locales habitables
GRÁFICO Nº 17: DE LOS PATIOS DE ILUMINACIÓN Y VENTILACIÓN - DISMINUCIÓN DEL VALOR “D” EN PATIOS DE PRIMERA CATEGORÍA - Patios limitados por paramentos curvos
GRÁFICO Nº 18: DE LOS PATIOS DE ILUMINACIÓN Y VENTILACIÓN - DISMINUCIÓN DEL VALOR “D” EN PATIOS DE PRIMERA CATEGORÍA - Patios con extensiones
GRÁFICO Nº 19: PATIOS MANCOMUNADOS:
GRÁFICO Nº 20: DE LAS AGUAS PLUVIALES : Edificios próximos a la medianera
GRÁFICO Nº 21: DE LAS AGUAS PLUVIALES: Edificios sobre medianera
GRÁFICO Nº 22: DE LAS AGUAS SERVIDAS Y CLOACALES - UBICACIÓN DEL SISTEMA CLOACAL
GRÁFICO Nº 23: DE LAS AGUAS SERVIDAS Y CLOACALES - CÁMARA SÉPTICA: DIMENSIONES
GRÁFICO Nº 24: DE LAS AGUAS SERVIDAS Y CLOACALES - CÁMARA SÉPTICA: DISEÑO
GRÁFICO Nº 25: DE LAS AGUAS SERVIDAS Y CLOACALES - POZO ABSORBENTE: DISEÑO
GRÁFICO Nº 26: DE LAS AGUAS SERVIDAS Y CLOACALES - POZO ABSORBENTE: CÁLCULOS
GRÁFICO Nº 27: DE LOS MEDIOS DE EGRESO: PUERTAS GIRATORIAS
GRÁFICO Nº 28: DE LOS MEDIOS DE EGRESO - FORMA DE MEDIR EL ANCHO DE PUERTAS DE SALIDAS
GRÁFICO Nº 29: DE LOS MEDIOS DE EGRESO - CIRCULACIONES HORIZONTALES DE USO PÚBLICO: ESCALONES EN PASAJES
GRÁFICO Nº 30: DE LOS MEDIOS DE EGRESO - CIRCULACIONES HORIZONTALES DE USO PÚBLICO: INCREMENTOS EN EL ANCHO MÍNIMO
GRÁFICO Nº 31: DE LOS MEDIOS DE EGRESO - CIRCULACIONES HORIZONTALES DE USO PÚBLICO: CIRCULACIÓN DE EVACUACIÓN DE UN EDIFICIO
GRÁFICO Nº 32: DE LOS MEDIOS DE EGRESO - CIRCULACIONES HORIZONTALES DE USO PÚBLICO: CIRCULACIÓN DE EVACUACIÓN EN PISOS ALTOS
GRÁFICO Nº 33: DE LOS MEDIOS DE EGRESO - CIRCULACIONES VERTICALES DE USO PÚBLICO: ESCALERAS- DIMENSIÓN DE HUELLA Y CONTRAHUELLA
GRÁFICO Nº 34: DE LOS MEDIOS DE EGRESO - CIRCULACIONES VERTICALES DE USO PÚBLICO: ESCALERAS- TRAMOS Y DESCANSOS
GRÁFICO Nº 35: DE LOS MEDIOS DE EGRESO - CIRCULACIONES VERTICALES DE USO PÚBLICO: UNIÓN DE ESCALERA CON LOS CORREDORES O PASILLOS
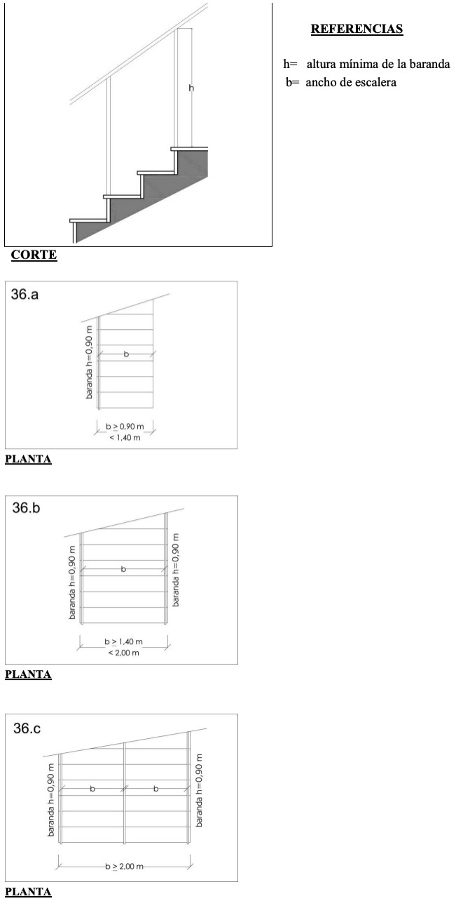
GRÁFICO Nº 36: DE LOS MEDIOS DE EGRESO - CIRCULACIONES VERTICALES DE USO PÚBLICO: BARANDAS Y PASAMANOS
Last updated on







































































